音频跳线盘在专业音频系统中是必不可少的,不管是录音棚还是扩声系统,有了音频跳线盘之后,整个信号流程将会变得异常清晰、明确,布线系统干净整洁,配线容易。那我们今天就来看看音频跳线盘的使用方法吧!
一、音频跳线盘的连接功能
音频跳线盘有上下两排连接器件,上排器件通常用于信号输出(如:调音台的输出或其它音频设备的输出),下排器件通常用于信号输入(如:调音台的输入或其它音频设备的输入),如下图所示:
该图清晰的告诉我们,上排有48 个输出,同时,下排有48 个与之相对应的输入。
在上面,我们将音频跳线盘的功能、结构作了一个概述,下面,我将针对音频跳线盘常用的三种连接方式一一讲解。
二、音频跳线盘常用的三种连接方式
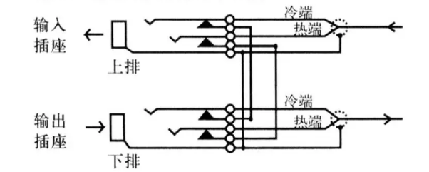
1、 Full Normalled(全环通方式)
该连接方式是一种串行结构,当没有跳线插头插入时,音频跳线盘的上排(输出)与下排(输入)在内部是联通的。当跳线插头插入上排,可获得信号输出,同时音频跳线盘内部断开与下方跳线插座的连接。通过在下方插座接入跳线插头,可输入信号。这时,信号不会与上方插座连接。如下图所示:

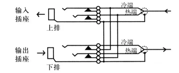
2、 Half Normalled(半环通方式)
该连接方式为一种并行结构,当没有跳线插头插入时,音频跳线盘的上排(输出)与下排(输入)在内部是联通的。当跳线插头插入上排插座,可获得信号输出,信号同时与下方跳线插座相联。此时信号可由上下插座并行获得。在下方插座接入假插头,可防止信号接入下方插座。通过在下方插座接入跳线插头,可输入信号。这是,信号不会与上方插座连接。如下图所示:
3、 双环通(串行—并行的方式)
当没有跳线插头插入时,音频跳线盘的上排(输出)与下排(输入)在内部是联通的。当跳线插头接入上排插座,可以获得信号输出,信号同时与下方跳线插座相联。此时信号可由上下插座并行获得。在下方插座接入假插头,可以防止信号接入下方插座。当在下方插座接入另一个跳线插头,可输入信号。请注意,这时信号同时与上方插座连接。为防止这种情况的发生,可以在上方插座接入一个假插头,如下图所示:

补充:
线头做标记是肯定需要的,不管采不采用音频跳线盘的方案,至于说干扰这个问题,大可放心,这种综合布线方案由于将强电与弱电作了严格的区分,因此是绝对不会出现干扰情况。
出现干扰或噪声有以下几个原因:
1、系统没有按照标准严格接地;
2、音频线质量太差;
3、采用非平衡的接线方式或错误的制作线材;
4、将强电与弱电并行安装距离过长。
以上这四点是导致干扰和噪声的主要因素,而不是音频线过多的绑在一起造成的。
上海奔铭智能科技有限公司,是一家专业的信息技术服务公司,主要从事企事业单位IT外包、计算机软硬件产品代理销售;智能化建设:消防工程、安防监控、门禁考勤、网络综合布线、电话程控交换、入侵报警、视频会议、公共广播、智能停车等等专业化的一站式服务商;机房建设、安防监控、门禁考勤、网络综合布线、程控交换电话、入侵报警、LED显示屏、公共广播系统、智能停车管理、智能家居等业务欢迎咨询奔铭【咨询热线:18818116008】。